ASCO

ASCO 262 Series Direct Operated 1/4"

2/2

Differential pressure

0-100 bar

Max. permitted pressure

100 bar

Max. viscosity

65 cSt (mm²/s)

Response time

5-25 ms

Media

Air, gas, water and oil

Media temperature

-20 °C to +90 °C NBR (nitrile)
-20 °C to +40 °C UR (urethane)

Ambient temperature

-20 °C to +75 °C
-20 °C to +50 °C (9/15.3 Watts)

IP-class

IP65

Standard voltages

DC (=) 24 V
AC (~) 24 V-115 V-230 V/50 Hz

Connection

DIN 43650/A

 

 

Design

 

Valve body

Brass

Core tube

Stainless 305SS

Core

Stainless 430FSS

Spring

Stainless 302SS

Seat

Brass

Seals

NBR

Seat seal

NBR or UR

Shading ring

Copper

Coil

Epoxy

Special seal

FPM, EPDM, CR, PTFE

 

139513_555.tif

139503_555.tif

NC

NO

 

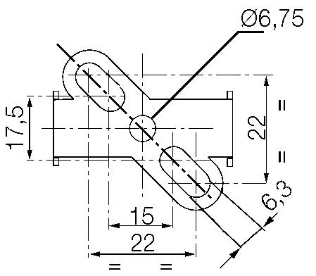
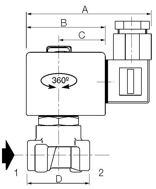
Dimensions

139523_555.tif

139522_555.tif

139521_555.tif

Fig. 1

139499_555.tif

139498_555.tif

Fig. 2

 

Valve

A

B

C

D

E

F

G

H

X

Weight (kg)

Drawing

SCG262C019/020/021/022/023/013/090

75

75

27

40

39

65

75

92

30

0.35

Fig.1

SCG262D232/C202/C208/C210/D200

75

45

27

40

39

65

75

92

30

0.45

Fig.1

SCG262A260/A261262/A263/A264A265

80

50

30

40

45

69

79

96

30

0.50

Fig.2

 

Item number spare coil

 

 

 

Power

24 V DC

24 V AC

115 V AC

230 V AC

6/9.7

400325142

400325101

400325118

400325117

9/15.3

400325242

400325201

400325218

400325217

10.5/11.2

400425142

400425101

400425118

400425117

 

Order number

Order no.

Connection

Orifice

Flow factor KV

Differential pressure bar

Power W

 

 

 

 

 

air/gas

water

oil

 

 

G

mm

m³/h

l/min.

min.

~

=

~

=

~

=

~

=

N/C

 

 

 

 

 

 

 

 

 

 

 

SCG262C019

1/4

1.2

0.05

0.8

0

50

35

50

35

35

35

6

9.7

SCG262C020

1/4

2.4

0.17

2.8

0

25

10

25

8

11

8

6

9.7

SCG262C021

1/4

2.4

0.17

2.8

0

35

15

35

10

20

10

9

15.3

SCG262C022

1/4

3.2

0.30

5.0

0

9

4

11

4.0

6

4

6

9.7

SCG262C023

1/4

3.2

0.30

5.0

0

15

7

16

6

11

6

9

15.3

SCG262D232

1/4

3.2

0.30

5.0

0

20

5

20

4

13

1

10.5

11.2

SCG262C202

1/4

4.0

0.43

7.2

0

12.0

2.5

13.0

2.5

10.0

3.0

10.5

11.2

SCG262C208

1/4

5.6

0.62

10.3

0

6.5

1.7

6.5

1.7

6.5

1.7

10.5

11.2

SCG262C013

1/4

5.6

0.73

12.2

0

2.5

1.2

3.0

1.3

2.5

1.3

6

9.7

SCG262C090

1/4

7.1

0.82

13.7

0

1.8

1.0

2.5

1.0

1.9

1.0

6

9.7

SCG262C210

1/4

7.1

0.75

12.5

0

4.0

1.2

5.0

1.0

4.0

1.2

10.5

11.2

N/C - seal in UR

 

 

 

 

 

 

 

 

 

SCG262D200

1/4

1.2

0.05

0.8

0

100

32

100

32

75

30

10.5

11.2

N/O

 

 

 

 

 

 

 

 

 

 

 

 

SCG262A262

1/4

3.2

0.30

5.0

0

9

5.5

7

4

6.5

4

10.5

11.2

SCG262A263

1/4

4.0

0.43

7.2

0

5.5

3

5

2

4

2

10.5

11.2

SCG262A264

1/4

5.6

0.73

12.2

0

3

1.7

2.5

1.3

2.5

1.3

10.5

11.2

SCG262A265

1/4

7.1

0.82

13.7

0

2

1

1.7

1

1.3

2

10.5

11.2

N/O - seat seal in UR

 

 

 

 

 

 

 

 

 

 

 

SCG262A260

1/4

1.2

0.05

0.8

0

50

35

50

45

50

50

10.5

11.2

SCG262A261

1/4

2.4

0.17

2.8

0

20

13

20

10

10

9

10.5

11.2



Valves with 230 or 24 V DC are stocked as standard.

Special versions

  • Other voltages
  • Explosion-proof version
  • Hand control

Accessories

  • Cable connector - C18209N21
  • Body material brass or Stainless steel
  • Differential pressure 0-130bar
  • Media - Air, gas, water and oil
  • Response time = 5-25 ms

Selected variant

Avaible in several variants

Selected variant

Specifications

Product description

Differential pressure

0-100 bar

Max. permitted pressure

100 bar

Max. viscosity

65 cSt (mm²/s)

Response time

5-25 ms

Media

Air, gas, water and oil

Media temperature

-20 °C to +90 °C NBR (nitrile)
-20 °C to +40 °C UR (urethane)

Ambient temperature

-20 °C to +75 °C
-20 °C to +50 °C (9/15.3 Watts)

IP-class

IP65

Standard voltages

DC (=) 24 V
AC (~) 24 V-115 V-230 V/50 Hz

Connection

DIN 43650/A

 

 

Design

 

Valve body

Brass

Core tube

Stainless 305SS

Core

Stainless 430FSS

Spring

Stainless 302SS

Seat

Brass

Seals

NBR

Seat seal

NBR or UR

Shading ring

Copper

Coil

Epoxy

Special seal

FPM, EPDM, CR, PTFE

 

139513_555.tif

139503_555.tif

NC

NO

 

Dimensions

139523_555.tif

139522_555.tif

139521_555.tif

Fig. 1

139499_555.tif

139498_555.tif

Fig. 2

 

Valve

A

B

C

D

E

F

G

H

X

Weight (kg)

Drawing

SCG262C019/020/021/022/023/013/090

75

75

27

40

39

65

75

92

30

0.35

Fig.1

SCG262D232/C202/C208/C210/D200

75

45

27

40

39

65

75

92

30

0.45

Fig.1

SCG262A260/A261262/A263/A264A265

80

50

30

40

45

69

79

96

30

0.50

Fig.2

 

Item number spare coil

 

 

 

Power

24 V DC

24 V AC

115 V AC

230 V AC

6/9.7

400325142

400325101

400325118

400325117

9/15.3

400325242

400325201

400325218

400325217

10.5/11.2

400425142

400425101

400425118

400425117

 

Order number

Order no.

Connection

Orifice

Flow factor KV

Differential pressure bar

Power W

 

 

 

 

 

air/gas

water

oil

 

 

G

mm

m³/h

l/min.

min.

~

=

~

=

~

=

~

=

N/C

 

 

 

 

 

 

 

 

 

 

 

SCG262C019

1/4

1.2

0.05

0.8

0

50

35

50

35

35

35

6

9.7

SCG262C020

1/4

2.4

0.17

2.8

0

25

10

25

8

11

8

6

9.7

SCG262C021

1/4

2.4

0.17

2.8

0

35

15

35

10

20

10

9

15.3

SCG262C022

1/4

3.2

0.30

5.0

0

9

4

11

4.0

6

4

6

9.7

SCG262C023

1/4

3.2

0.30

5.0

0

15

7

16

6

11

6

9

15.3

SCG262D232

1/4

3.2

0.30

5.0

0

20

5

20

4

13

1

10.5

11.2

SCG262C202

1/4

4.0

0.43

7.2

0

12.0

2.5

13.0

2.5

10.0

3.0

10.5

11.2

SCG262C208

1/4

5.6

0.62

10.3

0

6.5

1.7

6.5

1.7

6.5

1.7

10.5

11.2

SCG262C013

1/4

5.6

0.73

12.2

0

2.5

1.2

3.0

1.3

2.5

1.3

6

9.7

SCG262C090

1/4

7.1

0.82

13.7

0

1.8

1.0

2.5

1.0

1.9

1.0

6

9.7

SCG262C210

1/4

7.1

0.75

12.5

0

4.0

1.2

5.0

1.0

4.0

1.2

10.5

11.2

N/C - seal in UR

 

 

 

 

 

 

 

 

 

SCG262D200

1/4

1.2

0.05

0.8

0

100

32

100

32

75

30

10.5

11.2

N/O

 

 

 

 

 

 

 

 

 

 

 

 

SCG262A262

1/4

3.2

0.30

5.0

0

9

5.5

7

4

6.5

4

10.5

11.2

SCG262A263

1/4

4.0

0.43

7.2

0

5.5

3

5

2

4

2

10.5

11.2

SCG262A264

1/4

5.6

0.73

12.2

0

3

1.7

2.5

1.3

2.5

1.3

10.5

11.2

SCG262A265

1/4

7.1

0.82

13.7

0

2

1

1.7

1

1.3

2

10.5

11.2

N/O - seat seal in UR

 

 

 

 

 

 

 

 

 

 

 

SCG262A260

1/4

1.2

0.05

0.8

0

50

35

50

45

50

50

10.5

11.2

SCG262A261

1/4

2.4

0.17

2.8

0

20

13

20

10

10

9

10.5

11.2



Valves with 230 or 24 V DC are stocked as standard.

Special versions

  • Other voltages
  • Explosion-proof version
  • Hand control

Accessories

  • Cable connector - C18209N21

Accessories

Energy Storage Systems (ESS):
Blog

Electrical Protection in Energy Storage Systems (ESS): Keys to a Safe Installation

The PMX fuse holder range is compact, halogen-free, and manufactured in Europe for fast availability. Available in 10×38, 14×51, and 22×58 sizes with IEC, UL, and CSA approvals, they feature silver-plated contacts, IP20 touch-safe design, and optional blown fuse indicators — giving panel builders reliable, safe, and flexible protection.

wayne moody
Company News

Wayne Moody Joins OEM | Demesne Electrical

We’re excited to share some great news at Demesne Electrical. Wayne Moody has joined our team, bringing with him years of experience and a clear vision for the future. His focus will be on building on our strong reputation here in Ireland and driving our growth across Europe.

DF electrci 485121
Blog

PMX Fuse Holder Range – Compact, Reliable, Built for Demanding Panels

The PMX fuse holder range is compact, halogen-free, and manufactured in Europe for fast availability. Available in 10×38, 14×51, and 22×58 sizes with IEC, UL, and CSA approvals, they feature silver-plated contacts, IP20 touch-safe design, and optional blown fuse indicators — giving panel builders reliable, safe, and flexible protection.

stego loop
Blog

Stego Enclosure Heaters with Loop

STEGO’s new loop enclosure heaters are a smart fix for condensation in control cabinets. They heat evenly, install fast with no tools, and come in a range of sizes from 10 to 150 W. They're tough, touch-safe, and even have a built-in thermostat option—everything you need to protect your gear and keep things running smoothly.

draw wire
Blog

Precision in Motion: Kübler Linear Measurement Systems at Demesne Electrical

Precise, Durable Linear Measurement from Kübler
Browse our range of Kübler draw wire encoders and linear measurement systems, designed for accurate position and speed sensing in industrial and OEM applications. Built for tough environments. Trusted by automation professionals.

hora
Blog

New on the Market: RKA Aluminium Terminal Blocks for Copper and Aluminium Conductors

Designed by HORA eTec, the RKA series offers a complete lineup of aluminium terminal blocks built for both aluminium and copper conductors. Every model in the range includes push-through protection, is finger-safe, and is built with installation efficiency in mind. From compact control panels to large-scale systems, here’s the full breakdown—from the RKA 16 to the RKA 300.

My favourites Articles Price

Selected variant

Select a variant in the list

Customer support
Our customer support team answers all kinds of questions.
+35314047700
Send e-mail
Do you need help?

Cookie settings for Demesne

Cookies help us improve your experience with us, so in order to be able to handle login information, offer you personalised content and for basic functionality of this website, we use some cookies.

We will never sell on any information about you. 

Necessary Cookies

These cookies are necessary for the website to work and can not be turned off in our systems. They are usually used only in response to actions you have taken in connection with a service request, for example when setting personal preferences, logging in or filling out a form.

Analysis and measurement cookies

These cookies allow us to count the number of visits and traffic sources so that we can measure and improve our website performance. They help us know which pages are more or less popular and how visitors navigate around the site. The information that these cookies collect is aggregated and therefore completely anonymous. If you do not allow these cookies, we do not know when you have visited our website.

Marketing cookies

These cookies can be added by our partners. They can use them to create a profile of you, based on your interests, to show you more relevant information. They do not store any personal information - only information about your browser and device. If you do not accept these cookies, you will have a more general and less customized user experience.

Please login or continue as a guest

To get the best deals
Login | Create account

You have 0 articles in cart