DEFINOX
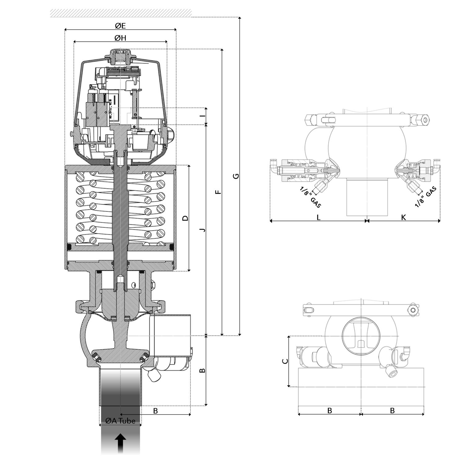
Definox NEOS Valve.
Meets the strongest requirements for process technology and is the ideal solution for food, brewery, cosmetics, and pharmaceutical processes. This seat valve design offers a wide range of options and variants.
NEOS double sealed valve, with leak detection and without elastomer seal, combines different technologies into a unique result to meet market demands in terms of cleaning, durability and sanitary applications.
The NEOS valve benefits from patented technology and meets the recommendations of EHEDG in its design. The valve is especially suitable for CIP "Cleaning In Place" since the valve does not use elastomeric gaskets in contact with the process fluid.
It is an economically attractive alternative to double seat valves as it provides a sufficient level of protection for product lines prior to pasteurization and supply networks (CIP - water flush), allowing frequent cleaning and use of aggressive products.
Technical Advantages:
- From DN 25 to 104
- PTFE deformable sealing diaphragm- provides a physical barrier to the outside.
- Leak indicator NO and cleaning microvalve are controlled separetly unsing ACS control unit
- Spherical body with thick walls - ensures excellent resistance to expansion.
- Different body configurations possible - + T L
- single peice plug without threads or welds.
- Pneumatic actuator - removable and easily transformable NO-NC
- Supports overpressures under the plg with release to the leak chamber
- Leak indicator - instantaneous visualisation if any leaks
- Complete interchangability of subcomponents
| Certificate | 3.1 EN10204 |
|---|---|
| Connection | Weld ends |
| Description | EHEDG Design |
| Design norm | SMS |
| House | L1-Body |
| Housing | PFA |
| Internal Diameter | 22.6 |
| Material quality | 1.4404 |
| Outer Diameter | 25 |
|---|---|
| Pilot Pressure Max | 7 |
| Pilot Pressure Min | 5.5 |
| Surface Finish | RA<0,8/1,2µm |
| Temperature range | -5°C/+140°C |
| Weight | 4.5 |
| Working Pressure Max | 8 |
Definox NEOS Valve.
Meets the strongest requirements for process technology and is the ideal solution for food, brewery, cosmetics, and pharmaceutical processes. This seat valve design offers a wide range of options and variants.
NEOS double sealed valve, with leak detection and without elastomer seal, combines different technologies into a unique result to meet market demands in terms of cleaning, durability and sanitary applications.
The NEOS valve benefits from patented technology and meets the recommendations of EHEDG in its design. The valve is especially suitable for CIP "Cleaning In Place" since the valve does not use elastomeric gaskets in contact with the process fluid.
It is an economically attractive alternative to double seat valves as it provides a sufficient level of protection for product lines prior to pasteurization and supply networks (CIP - water flush), allowing frequent cleaning and use of aggressive products.
Technical Advantages:
- From DN 25 to 104
- PTFE deformable sealing diaphragm- provides a physical barrier to the outside.
- Leak indicator NO and cleaning microvalve are controlled separetly unsing ACS control unit
- Spherical body with thick walls - ensures excellent resistance to expansion.
- Different body configurations possible - + T L
- single peice plug without threads or welds.
- Pneumatic actuator - removable and easily transformable NO-NC
- Supports overpressures under the plg with release to the leak chamber
- Leak indicator - instantaneous visualisation if any leaks
- Complete interchangability of subcomponents
Great electrical installations don't fail because of the major components. They fail because of the small ones that didn't get enough attention.
It's easy to focus on the big-ticket items during specification — and let the terminal blocks become an afterthought. But inferior connection components have a habit of making themselves known over time. Loose connections, degraded insulation, premature failure. The kind of faults that are frustrating to trace and expensive to fix.
Tekox engineer their terminal strips, safety blocks, insulated strips, and porcelain blocks to the standards your installations deserve. Available now from Demesne Electrical — get in touch and we'll show you the range.
Conta-Clip PPVK push-in potential distribution terminals simplify control cabinet wiring with tool-free connections, compact DIN rail mounting, and reliable current distribution up to 41A.
The PMX fuse holder range is compact, halogen-free, and manufactured in Europe for fast availability. Available in 10×38, 14×51, and 22×58 sizes with IEC, UL, and CSA approvals, they feature silver-plated contacts, IP20 touch-safe design, and optional blown fuse indicators — giving panel builders reliable, safe, and flexible protection.
We’re excited to share some great news at Demesne Electrical. Wayne Moody has joined our team, bringing with him years of experience and a clear vision for the future. His focus will be on building on our strong reputation here in Ireland and driving our growth across Europe.
The PMX fuse holder range is compact, halogen-free, and manufactured in Europe for fast availability. Available in 10×38, 14×51, and 22×58 sizes with IEC, UL, and CSA approvals, they feature silver-plated contacts, IP20 touch-safe design, and optional blown fuse indicators — giving panel builders reliable, safe, and flexible protection.
STEGO’s new loop enclosure heaters are a smart fix for condensation in control cabinets. They heat evenly, install fast with no tools, and come in a range of sizes from 10 to 150 W. They're tough, touch-safe, and even have a built-in thermostat option—everything you need to protect your gear and keep things running smoothly.
|
|
|
|
|
|
||
|---|---|---|---|---|---|---|
|
|
|
|
|
|
||
|
|
|
|
|
|
||
|
|
|
|
|
|
||
|
|
|
|
|
|
||
|
|
|
|
|
|
||
|
|
|
|
|
|
| My favourites | Articles | Design norm | House | Internal Diameter | Outer Diameter | Weight | Price | |
|---|---|---|---|---|---|---|---|---|
|
Seat valve NEOS, L1-body, NC pneumatic, 1", PFA
Art:
DE-WS025A17100
Copied
|
SMS
|
L1-Body
|
22.6
|
25
|
4.5
|
|
||
|
Seat valve NEOS, T1-body, NC pneumatic, 1", PFA
Art:
DE-WS025A27100
Copied
|
SMS
|
T1-body
|
22.6
|
25
|
4.5
|
|
||
|
Seat valve NEOS, X1-body, NC pneumatic, 1", PFA
Art:
DE-WS025A37100
Copied
|
SMS
|
X1-Body
|
22.6
|
25
|
4.5
|
|
||
|
Seat valve NEOS, L2-body, NC pneumatic, 1", PFA
Art:
DE-WS025A47100
Copied
|
SMS
|
L2-Body
|
22.6
|
25
|
4.5
|
|
||
|
Seat valve NEOS, T2-body, NC pneumatic, 1", PFA
Art:
DE-WS025A57100
Copied
|
SMS
|
T2-Body
|
22.6
|
25
|
4.5
|
|
||
|
Seat valve NEOS, X2-body, NC pneumatic, 1", PFA
Art:
DE-WS025A67100
Copied
|
SMS
|
X2-Body
|
22.6
|
25
|
4.5
|
|
||
|
Seat valve NEOS, L1-body, NC pneumatic, 1½", PFA
Art:
DE-WS038A17100
Copied
|
SMS
|
L1-Body
|
35.6
|
38
|
4.6
|
|
||
|
Seat valve NEOS, T1-body, NC pneumatic, 1½", PFA
Art:
DE-WS038A27100
Copied
|
SMS
|
T1-body
|
35.6
|
38
|
4.6
|
|
||
|
Seat valve NEOS, X1-body, NC pneumatic, 1½", PFA
Art:
DE-WS038A37100
Copied
|
SMS
|
X1-Body
|
35.6
|
38
|
4.6
|
|
||
|
Seat valve NEOS, L2-body, NC pneumatic, 1½", PFA
Art:
DE-WS038A47100
Copied
|
SMS
|
L2-Body
|
35.6
|
38
|
4.6
|
|
||
|
Seat valve NEOS, T2-body, NC pneumatic, 1½", PFA
Art:
DE-WS038A57100
Copied
|
SMS
|
T2-Body
|
35.6
|
38
|
4.6
|
|
||
|
Seat valve NEOS, X2-body, NC pneumatic, 1½", PFA
Art:
DE-WS038A67100
Copied
|
SMS
|
X2-Body
|
35.6
|
38
|
4.6
|
|
||
|
Seat valve NEOS, L1-body, NC pneumatic, 2", PFA
Art:
DE-WS051A17100
Copied
|
SMS
|
L1-Body
|
48.5
|
51
|
7.7
|
|
||
|
Seat valve NEOS, T1-body, NC pneumatic, 2", PFA
Art:
DE-WS051A27100
Copied
|
SMS
|
T1-body
|
48.5
|
51
|
7.7
|
|
||
|
Seat valve NEOS, X1-body, NC pneumatic, 2", PFA
Art:
DE-WS051A37100
Copied
|
SMS
|
L1-Body
|
48.5
|
51
|
7.7
|
|
||
|
Seat valve NEOS, L2-body, NC pneumatic, 2", PFA
Art:
DE-WS051A47100
Copied
|
SMS
|
L2-Body
|
48.5
|
51
|
7.7
|
|
||
|
Seat valve NEOS, T2-body, NC pneumatic, 2", PFA
Art:
DE-WS051A57100
Copied
|
SMS
|
T2-Body
|
48.5
|
51
|
7.7
|
|
||
|
Seat valve NEOS, X2-body, NC pneumatic, 2", PFA
Art:
DE-WS051A67100
Copied
|
SMS
|
X2-Body
|
48.5
|
51
|
7.7
|
|
||
|
Seat valve NEOS, L1-body, NC pneumatic, 2½", PFA
Art:
DE-WS063A17100
Copied
|
SMS
|
L1-Body
|
60.3
|
63.5
|
17.7
|
|
||
|
Seat valve NEOS, T1-body, NC pneumatic, 2½", PFA
Art:
DE-WS063A27100
Copied
|
SMS
|
T1-body
|
60.3
|
63.5
|
17.7
|
|
||
|
Seat valve NEOS, X1-body, NC pneumatic, 2½", PFA
Art:
DE-WS063A37100
Copied
|
SMS
|
X1-Body
|
60.3
|
63.5
|
17.7
|
|
||
|
Seat valve NEOS, L2-body, NC pneumatic, 2½", PFA
Art:
DE-WS063A47100
Copied
|
SMS
|
L2-Body
|
60.3
|
63.5
|
17.7
|
|
||
|
Seat valve NEOS, T2-body, NC pneumatic, 2½", PFA
Art:
DE-WS063A57100
Copied
|
SMS
|
T2-Body
|
60.3
|
63.5
|
17.7
|
|
||
|
Seat valve NEOS, X2-body, NC pneumatic, 2½", PFA
Art:
DE-WS063A67100
Copied
|
SMS
|
X2-Body
|
60.3
|
63.5
|
17.7
|
|
||
|
Seat valve NEOS, L1-body, NC pneumatic, 3", PFA
Art:
DE-WS076A17100
Copied
|
SMS
|
L1-Body
|
72.9
|
76.1
|
17.8
|
|
||
|
Seat valve NEOS, T1-body, NC pneumatic, 3", PFA
Art:
DE-WS076A27100
Copied
|
SMS
|
T1-body
|
72.9
|
76.1
|
17.8
|
|
||
|
Seat valve NEOS, X1-body, NC pneumatic, 3", PFA
Art:
DE-WS076A37100
Copied
|
SMS
|
X1-Body
|
72.9
|
76.1
|
17.8
|
|
||
|
Seat valve NEOS, L2-body, NC pneumatic, 3", PFA
Art:
DE-WS076A47100
Copied
|
SMS
|
L2-Body
|
72.9
|
76.1
|
17.8
|
|
||
|
Seat valve NEOS, T2-body, NC pneumatic, 3", PFA
Art:
DE-WS076A57100
Copied
|
SMS
|
T2-Body
|
72.9
|
76.1
|
17.8
|
|
||
|
Seat valve NEOS, X2-body, NC pneumatic, 3", PFA
Art:
DE-WS076A67100
Copied
|
SMS
|
X2-Body
|
72.9
|
76.1
|
17.8
|
|
||
|
Seat valve NEOS, L1-body, NC pneumatic, 4", PFA
Art:
DE-WU101A17100
Copied
|
SMS
|
L1-Body
|
97.4
|
10.6
|
38
|
|
||
|
Seat valve NEOS, T1-body, NC pneumatic, 4", PFA
Art:
DE-WU101A27100
Copied
|
SMS
|
T1-body
|
97.4
|
10.6
|
38
|
|
||
|
Seat valve NEOS, L1-body, NC pneumatic, 4"/104, PFA
Art:
DE-WS104A17100
Copied
|
SMS
|
L1-Body
|
100
|
104
|
38
|
|
||
|
Seat valve NEOS, T1-body, NC pneumatic, 4"/104, PFA
Art:
DE-WS104A27100
Copied
|
SMS
|
T1-body
|
100
|
104
|
38
|
|
||
|
Seat valve NEOS, X1-body, NC pneumatic, 4"/104, PFA
Art:
DE-WS104A37100
Copied
|
SMS
|
X1-Body
|
100
|
104
|
38
|
|
||
|
Seat valve NEOS, L2-body, NC pneumatic, 4"/104, PFA
Art:
DE-WS104A47100
Copied
|
SMS
|
L2-Body
|
100
|
104
|
38
|
|
||
|
Seat valve NEOS, T2-body, NC pneumatic, 4"/104, PFA
Art:
DE-WS104A57100
Copied
|
SMS
|
T2-Body
|
100
|
104
|
38
|
|
||
|
Seat valve NEOS, X2-body, NC pneumatic, 4"/104, PFA
Art:
DE-WS104A67100
Copied
|
SMS
|
X2-Body
|
100
|
104
|
38
|
|
||
|
Seat valve NEOS, L1-body, NC pneumatic, DN25, PFA
Art:
DE-WD025A17100
Copied
|
DIN
|
L1-Body
|
26
|
29
|
4.5
|
|
||
|
Seat valve NEOS, T1-body, NC pneumatic, DN25, PFA
Art:
DE-WD025A27100
Copied
|
DIN
|
T1-body
|
26
|
29
|
4.5
|
|
||
|
Seat valve NEOS, X1-body, NC pneumatic, DN25, PFA
Art:
DE-WD025A37100
Copied
|
DIN
|
X1-Body
|
26
|
29
|
4.5
|
|
||
|
Seat valve NEOS, L2-body, NC pneumatic, DN25, PFA
Art:
DE-WD025A47100
Copied
|
DIN
|
L2-Body
|
26
|
29
|
4.5
|
|
||
|
Seat valve NEOS, T2-body, NC pneumatic, DN25, PFA
Art:
DE-WD025A57100
Copied
|
DIN
|
T2-Body
|
26
|
29
|
4.5
|
|
||
|
Seat valve NEOS, X2-body, NC pneumatic, DN25, PFA
Art:
DE-WD025A67100
Copied
|
DIN
|
X2-Body
|
26
|
29
|
4.5
|
|
||
|
Seat valve NEOS, L1-body, NC pneumatic, DN40, PFA
Art:
DE-WD040A17100
Copied
|
DIN
|
L1-Body
|
38
|
41
|
4.5
|
|
||
|
Seat valve NEOS, T1-body, NC pneumatic, DN40, PFA
Art:
DE-WD040A27100
Copied
|
DIN
|
T1-body
|
38
|
41
|
4.5
|
|
||
|
Seat valve NEOS, X1-body, NC pneumatic, DN40, PFA
Art:
DE-WD040A37100
Copied
|
DIN
|
X1-Body
|
38
|
41
|
4.5
|
|
||
|
Seat valve NEOS, L2-body, NC pneumatic, DN40, PFA
Art:
DE-WD040A47100
Copied
|
DIN
|
L2-Body
|
38
|
41
|
4.5
|
|
||
|
Seat valve NEOS, T2-body, NC pneumatic, DN40, PFA
Art:
DE-WD040A57100
Copied
|
DIN
|
T2-Body
|
38
|
41
|
4.5
|
|
||
|
Seat valve NEOS, X2-body, NC pneumatic, DN40, PFA
Art:
DE-WD040A67100
Copied
|
DIN
|
X2-Body
|
38
|
41
|
4.5
|
|
||
|
Seat valve NEOS, L1-body, NC pneumatic, DN50, PFA
Art:
DE-WD050A17100
Copied
|
DIN
|
L1-Body
|
50
|
53
|
8
|
|
||
|
Seat valve NEOS, T1-body, NC pneumatic, DN50, PFA
Art:
DE-WD050A27100
Copied
|
DIN
|
T1-body
|
50
|
53
|
8
|
|
||
|
Seat valve NEOS, X1-body, NC pneumatic, DN50 PFA
Art:
DE-WD050A37100
Copied
|
DIN
|
X1-Body
|
50
|
53
|
8
|
|
||
|
Seat valve NEOS, L2-body, NC pneumatic, DN50, PFA
Art:
DE-WD050A47100
Copied
|
DIN
|
L2-Body
|
50
|
53
|
8
|
|
||
|
Seat valve NEOS, T2-body, NC pneumatic, DN50, PFA
Art:
DE-WD050A57100
Copied
|
DIN
|
T2-Body
|
50
|
53
|
8
|
|
||
|
Seat valve NEOS, X2-body, NC pneumatic, DN50, PFA
Art:
DE-WD050A67100
Copied
|
DIN
|
X2-Body
|
50
|
53
|
8
|
|
||
|
Seat valve NEOS, L1-body, NC pneumatic, DN65, PFA
Art:
DE-WD065A17100
Copied
|
DIN
|
L1-Body
|
66
|
70
|
17
|
|
||
|
Seat valve NEOS, T1-body, NC pneumatic, DN65, PFA
Art:
DE-WD065A27100
Copied
|
DIN
|
T1-body
|
66
|
70
|
17
|
|
||
|
Seat valve NEOS, X1-body, NC pneumatic, DN65, PFA
Art:
DE-WD065A37100
Copied
|
DIN
|
X1-Body
|
66
|
70
|
17
|
|
||
|
Seat valve NEOS, L2-body, NC pneumatic, DN65, PFA
Art:
DE-WD065A47100
Copied
|
DIN
|
L2-Body
|
66
|
70
|
17
|
|
||
|
Seat valve NEOS, T2-body, NC pneumatic, DN65, PFA
Art:
DE-WD065A57100
Copied
|
DIN
|
T2-Body
|
66
|
70
|
17
|
|
||
|
Seat valve NEOS, X2-body, NC pneumatic, DN65, PFA
Art:
DE-WD065A67100
Copied
|
DIN
|
X2-Body
|
66
|
70
|
17
|
|
||
|
Seat valve NEOS, L1-body, NC pneumatic, DN80, PFA
Art:
DE-WD080A17100
Copied
|
DIN
|
L1-Body
|
81
|
85
|
18
|
|
||
|
Seat valve NEOS, T1-body, NC pneumatic, DN80, PFA
Art:
DE-WD080A27100
Copied
|
DIN
|
T1-body
|
81
|
85
|
18
|
|
||
|
Seat valve NEOS, X1-body, NC pneumatic, DN80, PFA
Art:
DE-WD080A37100
Copied
|
DIN
|
X1-Body
|
81
|
85
|
18
|
|
||
|
Seat valve NEOS, L2-body, NC pneumatic, DN80, PFA
Art:
DE-WD080A47100
Copied
|
DIN
|
L2-Body
|
81
|
85
|
18
|
|
||
|
Seat valve NEOS, T2-body, NC pneumatic, DN80, PFA
Art:
DE-WD080A57100
Copied
|
DIN
|
T2-Body
|
81
|
85
|
18
|
|
||
|
Seat valve NEOS, X2-body, NC pneumatic, DN80, PFA
Art:
DE-WD080A67100
Copied
|
DIN
|
X2-Body
|
81
|
85
|
18
|
|
||
|
Seat valve NEOS, L1-body, NC pneumatic, DN100, PFA
Art:
DE-WD100A17100
Copied
|
DIN
|
L1-Body
|
100
|
104
|
32
|
|
||
|
Seat valve NEOS, T1-body, NC pneumatic, DN100, PFA
Art:
DE-WD100A27100
Copied
|
DIN
|
T1-body
|
100
|
104
|
32
|
|
||
|
Seat valve NEOS, X1-body, NC pneumatic, DN100, PFA
Art:
DE-WD100A37100
Copied
|
DIN
|
X1-Body
|
100
|
104
|
32
|
|
||
|
Seat valve NEOS, L2-body, NC pneumatic, DN100, PFA
Art:
DE-WD100A47100
Copied
|
DIN
|
L2-Body
|
100
|
104
|
32
|
|
||
|
Seat valve NEOS, T2-body, NC pneumatic, DN100, PFA
Art:
DE-WD100A57100
Copied
|
DIN
|
T2-Body
|
100
|
104
|
32
|
|
||
|
Seat valve NEOS, X2-body, NC pneumatic, DN100, PFA
Art:
DE-WD100A67100
Copied
|
DIN
|
X2-Body
|
100
|
104
|
32
|
|
Select a variant in the list