GELBAU

Gelbau - Sensing strips

The sensing strips consist of two layers of rubber, one with conductive and one normal insulating rubber. A copper wire embedded in two separated layers of conductive rubber together with a resistor at the end of the sensing strip, forms a closed circuit. If the separated layers are pressed together there is a short-circuit, the control unit react and its outputs release. In the same set hammer the control unit reacts to an open-circuit in the cable or in the sensing strip's copper conductor. Several sensing strips can be easily connected in series. Up to 100 m of sensing strip can be connected to one control unit.

Technical data

Ingress protection class

IP67 (factory fitted)

Ambient temperature

-20 °C to +80 °C

Cable connection

2, 5 or 15 m cable with pin connector

Max. cable length

50 m

Max. number of sensing strips

No limit (up to 100 m)

Material

EPDM or NBR (nitrile)

Contact voltage (operation)

Approx. 5 V from the control unit

Contact current (operation)

0.6 mA

Min. activation force

10 N

Installation

Use our mounting rail

Safety category

3 in accordance with EN954-1 with control unit

Standard

EN1760-2

Conforming to

MD, EMC, LVD

Approvals

150624_555.eps

 

Chemical properties

 

Liquid

Resistant:

 

 

EPDM

Nitrile

Water

Excellent

Excellent

Acids (diluted)

Poor

Good

Solvents

Poor

Good

Oils

Poor

Good

Petrol

Poor

Good

Ozone

Excellent

Poor

 

Connection

A complete system consists of the following:

Cable outputs

 

Indicate the cable output number when ordering factory fitted strips.

 

Order number

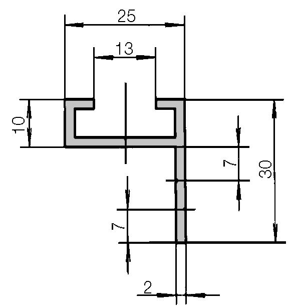
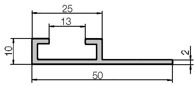
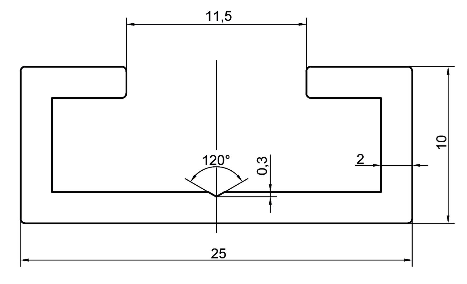
Sensing strips (dimensions in mm)

Order no.

Description

Material

3100.0118

Sensing strip 21 mm, black

EPDM

3100.0118W

Sensing strip 21 mm, white

EPDM

3100.0118N

Sensing strip 21 mm, black

Nitrile


Order no.

Description

Material

3100.0110I

Sensing strip 32.5 mm, black

EPDM

3100.0110RED

Sensing strip 32.5 mm, red

EPDM

3100.0110Y

Sensing strip 32.5 mm, yellow

EPDM

3100.0110N

Sensing strip 32.5 mm, black

Nitrile


Order no.

Description

Material

3100.1610

Sensing strip 51 mm, black

EPDM

3100.1610N

Sensing strip 51 mm, black

Nitrile


Order no.

Description

Material

3100.0310

Sensing strip 76 mm, black

EPDM


Order no.

Description

Material

3100.0510

Sensing strip 32.5 mm with seal

EPDM


141805_555.tif

Order no.

Description

Material

3100.0804

Sensing strip 51 mm with seal

EPDM


Order no.

Description

Material

3100.0210

Sensing strip 76 mm with seal

EPDM



Installation components

For sensing strip 3100.0118

1. Sensing strip

Order no.

Description

Material

3100.0118

Sensing strip 21 mm, black

EPDM

3100.0118W

Sensing strip 21 mm, white

EPDM

3100.0118N

Sensing strip 21 mm, black

Nitrile



2. End cap

Order no.

Description

Material

3050.1318

End cap (130/18)

EPDM

3050.1318W

End cap (130/18), white

EPDM

3050.1318N

End cap (130/18), nitrile

Nitrile



3. Cable with pin

Order no.

Description

3020.1183

Connection cable (118/03), 3 m

3020.1185

Connection cable (118/05), 5 m



4. Resistor with pin

Order no.

Description

3031.1186

Resistor (118), 8.2 kOhm



5.

Order no.

Description

3045.1219

Mounting rail (112/A7) Only available in 2000, 4000 mm...



Installation components
For sensing strips 3100.0110 and 3100.0510

1. Sensing strip

Order no.

Description

Material

3100.0110I

Sensing strip 32.5 mm, black

EPDM

3100.0110RED

Sensing strip 32.5 mm, red

EPDM

3100.0110Y

Sensing strip 32.5 mm, yellow

EPDM

3100.0110N

Sensing strip 32.5 mm, black

Nitrile



2. End cap

Order no.

Description

Material

3050.1302

End cap (130/2)

EPDM

3050.1302RED

End cap (130/2), red

EPDM

3050.1302Y

End cap (130/2), yellow

EPDM

3050.1302N

End cap (130/2N), nitrile

Nitrile



3. Cable with pin

Order no.

Description

3020.1300B

Connection cable, 0.35 m

3020.1301B

Connection cable (130/01), 1m

3020.1302B

Connection cable (130/02), 2 m

3020.1305B

Connection cable (130/05), 5 m

3020.1307B

Connection cable (130/07), 15 m



4. Resistor with pin

141783_555.tif

Order no.

Description

3031.1306B

Resistor 8.2 kΩ (red)



5. Corner connector

Order no.

Description

Material

3050.0071

Corner connector 90°, horizontal

EPDM

3050.0071N

Corner connector 90°, horizontal, nitrile

Nitrile

Other angles/colours on request

 



6. Corner connector

Order no.

Description

Material

3050.0072

Corner connector 90°, vertical

EPDM

3050.0072N

Corner connector 90°, vertical, nitrile

Nitrile

Other colours on request

 



7. Connector

Order no.

Description

3050.0061

Straight connector for sensing strip 3100.0110I

*Some order numbers have the additional designation “N” which means they are made of oil-resistant nitrile. Without this additional designation the material is EPDM.



Installation components

For sensing strips 3100.1610 and 3100.0804

1. Sensing strip

141786_555.tif

Order no.

Description

Material

3100.1610

Sensing strip 51 mm, black

EPDM

3100.1610N

Sensing strip 51 mm, black

Nitrile

3100.0804

Sensing strip 51 mm with seal

EPDM



2. End cap

141785_555.tif

Order no.

Description

Material

3050.1303

End cap (130/3)

EPDM

3050.1303N

End cap (130/3N), nitrile

Nitrile



3. Cable with pin

141784_555.tif

Order no.

Description

3020.1300B

Connection cable, 0.35 m

3020.1302B

Connection cable (130/02), 2 m

3020.1305B

Connection cable (130/05), 5 m

3020.1307B

Connection cable (130/07), 15 m



4. Resistor with pin

141783_555.tif

Order no.

Description

3031.1306B

Resistor 8.2 kΩ (red)



5. Corner connector

141782_555.tif

Order no.

Description

3050.0074

Corner connector (h=51 mm)



For sensing strips 3100.0310 and 3100.0210

6. Sensing strip

Order no.

Description

3100.0310

Sensing strip 76 mm, black

3100.0210

Sensing strip 76 mm with seal



7. End cap

141785_555.tif

Order no.

Description

Material

3050.1303

End cap (130/3)

EPDM

3050.1303N

End cap (130/3N), nitrile

Nitrile



8. Cable with pin

Order no.

Description

3020.1300B

Connection cable, 0.35 m

3020.1302B

Connection cable (130/02), 2 m

3020.1305B

Connection cable (130/05), 5 m

3020.1307B

Connection cable (130/07), 15 m



9. Resistor with pin

Order no.

Description

3031.1306B

Resistor 8.2 kΩ (red)



10. Corner connector

Order no.

Description

Material

3050.0073

Corner connector (h=76 mm)

EPDM



Mounting rail

11. Installation rail

3045.1212_dimensions.tif

Order no.

Description

3045.1213

Mounting rail (112/A1) Only available in 2000, 4000 mm etc.

3045.1212

Mounting rail (112/A) Only available in 2000, 4000 mm etc.



12. Installation rail

141773_555.tif

Order no.

Description

3045.1214

Mounting rail (112/A2) Only available in 2000, 4000 mm etc.



13. Installation rail

141772_555.tif

Order no.

Description

3045.1215

Mounting rail (112/A3) Only available in 2000, 4000 mm etc.

*Some order numbers have the additional designation “N” which means they are made of oil-resistant nitrile. Without this additional designation the material is EPDM

  • No mechanical components
  • Easy installation
  • IP67 (factory fitted)

Selected variant

Avaible in several variants

Selected variant

Specifications

Approvals CE, TÜV NORD
Conforming To EMC, LVD, MD
Contact Current 0.6
Contact Voltage 5
Height 21
IP Class IP67
Material EPDM
Number Of Terminal Strips Max 10
Temperature ambient from -10
Temperature ambient to 50
Terminal Strip Length Max 100 m

Product description

The sensing strips consist of two layers of rubber, one with conductive and one normal insulating rubber. A copper wire embedded in two separated layers of conductive rubber together with a resistor at the end of the sensing strip, forms a closed circuit. If the separated layers are pressed together there is a short-circuit, the control unit react and its outputs release. In the same set hammer the control unit reacts to an open-circuit in the cable or in the sensing strip's copper conductor. Several sensing strips can be easily connected in series. Up to 100 m of sensing strip can be connected to one control unit.

Technical data

Ingress protection class

IP67 (factory fitted)

Ambient temperature

-20 °C to +80 °C

Cable connection

2, 5 or 15 m cable with pin connector

Max. cable length

50 m

Max. number of sensing strips

No limit (up to 100 m)

Material

EPDM or NBR (nitrile)

Contact voltage (operation)

Approx. 5 V from the control unit

Contact current (operation)

0.6 mA

Min. activation force

10 N

Installation

Use our mounting rail

Safety category

3 in accordance with EN954-1 with control unit

Standard

EN1760-2

Conforming to

MD, EMC, LVD

Approvals

150624_555.eps

 

Chemical properties

 

Liquid

Resistant:

 

 

EPDM

Nitrile

Water

Excellent

Excellent

Acids (diluted)

Poor

Good

Solvents

Poor

Good

Oils

Poor

Good

Petrol

Poor

Good

Ozone

Excellent

Poor

 

Connection

A complete system consists of the following:

Cable outputs

 

Indicate the cable output number when ordering factory fitted strips.

 

Order number

Sensing strips (dimensions in mm)

Order no.

Description

Material

3100.0118

Sensing strip 21 mm, black

EPDM

3100.0118W

Sensing strip 21 mm, white

EPDM

3100.0118N

Sensing strip 21 mm, black

Nitrile


Order no.

Description

Material

3100.0110I

Sensing strip 32.5 mm, black

EPDM

3100.0110RED

Sensing strip 32.5 mm, red

EPDM

3100.0110Y

Sensing strip 32.5 mm, yellow

EPDM

3100.0110N

Sensing strip 32.5 mm, black

Nitrile


Order no.

Description

Material

3100.1610

Sensing strip 51 mm, black

EPDM

3100.1610N

Sensing strip 51 mm, black

Nitrile


Order no.

Description

Material

3100.0310

Sensing strip 76 mm, black

EPDM


Order no.

Description

Material

3100.0510

Sensing strip 32.5 mm with seal

EPDM


141805_555.tif

Order no.

Description

Material

3100.0804

Sensing strip 51 mm with seal

EPDM


Order no.

Description

Material

3100.0210

Sensing strip 76 mm with seal

EPDM



Installation components

For sensing strip 3100.0118

1. Sensing strip

Order no.

Description

Material

3100.0118

Sensing strip 21 mm, black

EPDM

3100.0118W

Sensing strip 21 mm, white

EPDM

3100.0118N

Sensing strip 21 mm, black

Nitrile



2. End cap

Order no.

Description

Material

3050.1318

End cap (130/18)

EPDM

3050.1318W

End cap (130/18), white

EPDM

3050.1318N

End cap (130/18), nitrile

Nitrile



3. Cable with pin

Order no.

Description

3020.1183

Connection cable (118/03), 3 m

3020.1185

Connection cable (118/05), 5 m



4. Resistor with pin

Order no.

Description

3031.1186

Resistor (118), 8.2 kOhm



5.

Order no.

Description

3045.1219

Mounting rail (112/A7) Only available in 2000, 4000 mm...



Installation components
For sensing strips 3100.0110 and 3100.0510

1. Sensing strip

Order no.

Description

Material

3100.0110I

Sensing strip 32.5 mm, black

EPDM

3100.0110RED

Sensing strip 32.5 mm, red

EPDM

3100.0110Y

Sensing strip 32.5 mm, yellow

EPDM

3100.0110N

Sensing strip 32.5 mm, black

Nitrile



2. End cap

Order no.

Description

Material

3050.1302

End cap (130/2)

EPDM

3050.1302RED

End cap (130/2), red

EPDM

3050.1302Y

End cap (130/2), yellow

EPDM

3050.1302N

End cap (130/2N), nitrile

Nitrile



3. Cable with pin

Order no.

Description

3020.1300B

Connection cable, 0.35 m

3020.1301B

Connection cable (130/01), 1m

3020.1302B

Connection cable (130/02), 2 m

3020.1305B

Connection cable (130/05), 5 m

3020.1307B

Connection cable (130/07), 15 m



4. Resistor with pin

141783_555.tif

Order no.

Description

3031.1306B

Resistor 8.2 kΩ (red)



5. Corner connector

Order no.

Description

Material

3050.0071

Corner connector 90°, horizontal

EPDM

3050.0071N

Corner connector 90°, horizontal, nitrile

Nitrile

Other angles/colours on request

 



6. Corner connector

Order no.

Description

Material

3050.0072

Corner connector 90°, vertical

EPDM

3050.0072N

Corner connector 90°, vertical, nitrile

Nitrile

Other colours on request

 



7. Connector

Order no.

Description

3050.0061

Straight connector for sensing strip 3100.0110I

*Some order numbers have the additional designation “N” which means they are made of oil-resistant nitrile. Without this additional designation the material is EPDM.



Installation components

For sensing strips 3100.1610 and 3100.0804

1. Sensing strip

141786_555.tif

Order no.

Description

Material

3100.1610

Sensing strip 51 mm, black

EPDM

3100.1610N

Sensing strip 51 mm, black

Nitrile

3100.0804

Sensing strip 51 mm with seal

EPDM



2. End cap

141785_555.tif

Order no.

Description

Material

3050.1303

End cap (130/3)

EPDM

3050.1303N

End cap (130/3N), nitrile

Nitrile



3. Cable with pin

141784_555.tif

Order no.

Description

3020.1300B

Connection cable, 0.35 m

3020.1302B

Connection cable (130/02), 2 m

3020.1305B

Connection cable (130/05), 5 m

3020.1307B

Connection cable (130/07), 15 m



4. Resistor with pin

141783_555.tif

Order no.

Description

3031.1306B

Resistor 8.2 kΩ (red)



5. Corner connector

141782_555.tif

Order no.

Description

3050.0074

Corner connector (h=51 mm)



For sensing strips 3100.0310 and 3100.0210

6. Sensing strip

Order no.

Description

3100.0310

Sensing strip 76 mm, black

3100.0210

Sensing strip 76 mm with seal



7. End cap

141785_555.tif

Order no.

Description

Material

3050.1303

End cap (130/3)

EPDM

3050.1303N

End cap (130/3N), nitrile

Nitrile



8. Cable with pin

Order no.

Description

3020.1300B

Connection cable, 0.35 m

3020.1302B

Connection cable (130/02), 2 m

3020.1305B

Connection cable (130/05), 5 m

3020.1307B

Connection cable (130/07), 15 m



9. Resistor with pin

Order no.

Description

3031.1306B

Resistor 8.2 kΩ (red)



10. Corner connector

Order no.

Description

Material

3050.0073

Corner connector (h=76 mm)

EPDM



Mounting rail

11. Installation rail

3045.1212_dimensions.tif

Order no.

Description

3045.1213

Mounting rail (112/A1) Only available in 2000, 4000 mm etc.

3045.1212

Mounting rail (112/A) Only available in 2000, 4000 mm etc.



12. Installation rail

141773_555.tif

Order no.

Description

3045.1214

Mounting rail (112/A2) Only available in 2000, 4000 mm etc.



13. Installation rail

141772_555.tif

Order no.

Description

3045.1215

Mounting rail (112/A3) Only available in 2000, 4000 mm etc.

*Some order numbers have the additional designation “N” which means they are made of oil-resistant nitrile. Without this additional designation the material is EPDM

Accessories

Related products



draw wire
Blog

Precision in Motion: Kübler Linear Measurement Systems at Demesne Electrical

Precise, Durable Linear Measurement from Kübler
Browse our range of Kübler draw wire encoders and linear measurement systems, designed for accurate position and speed sensing in industrial and OEM applications. Built for tough environments. Trusted by automation professionals.

wayne moody
Company News

Wayne Moody Joins OEM | Demesne Electrical

We’re excited to share some great news at Demesne Electrical. Wayne Moody has joined our team, bringing with him years of experience and a clear vision for the future. His focus will be on building on our strong reputation here in Ireland and driving our growth across Europe.

DF electrci 485121
Blog

PMX Fuse Holder Range – Compact, Reliable, Built for Demanding Panels

The PMX fuse holder range is compact, halogen-free, and manufactured in Europe for fast availability. Available in 10×38, 14×51, and 22×58 sizes with IEC, UL, and CSA approvals, they feature silver-plated contacts, IP20 touch-safe design, and optional blown fuse indicators — giving panel builders reliable, safe, and flexible protection.

stego loop
Blog

Stego Enclosure Heaters with Loop

STEGO’s new loop enclosure heaters are a smart fix for condensation in control cabinets. They heat evenly, install fast with no tools, and come in a range of sizes from 10 to 150 W. They're tough, touch-safe, and even have a built-in thermostat option—everything you need to protect your gear and keep things running smoothly.

hora
Blog

New on the Market: RKA Aluminium Terminal Blocks for Copper and Aluminium Conductors

Designed by HORA eTec, the RKA series offers a complete lineup of aluminium terminal blocks built for both aluminium and copper conductors. Every model in the range includes push-through protection, is finger-safe, and is built with installation efficiency in mind. From compact control panels to large-scale systems, here’s the full breakdown—from the RKA 16 to the RKA 300.

telehaase
Blog

Smarter Control Starts Here Explore the TELE Haase Range at Demesne

In complex, high-stakes electrical environments, precision, safety, and performance aren't optional, they're essential. That’s why at Demesne Electrical, we supply solutions that go beyond compliance, empowering engineers and panel builders to build smarter, more connected systems.
One of our most trusted partners in this space is TELE Haase, an industry leader in intelligent monitoring and automation components. From load protection to digital performance sensors, the TELE range offers future-focused tools that streamline system diagnostics and improve long-term reliability.

My favourites Articles Height Material Price
21
EPDM
21
NBR
32
EPDM
32
NBR
32
EPDM
32
EPDM
51
EPDM
51
NBR
51
EPDM
76
EPDM
76
EPDM

Selected variant

Select a variant in the list

Customer support
Our customer support team answers all kinds of questions.
+35314047700
Send e-mail
Do you need help?

Cookie settings for Demesne

Cookies help us improve your experience with us, so in order to be able to handle login information, offer you personalised content and for basic functionality of this website, we use some cookies.

We will never sell on any information about you. 

Necessary Cookies

These cookies are necessary for the website to work and can not be turned off in our systems. They are usually used only in response to actions you have taken in connection with a service request, for example when setting personal preferences, logging in or filling out a form.

Analysis and measurement cookies

These cookies allow us to count the number of visits and traffic sources so that we can measure and improve our website performance. They help us know which pages are more or less popular and how visitors navigate around the site. The information that these cookies collect is aggregated and therefore completely anonymous. If you do not allow these cookies, we do not know when you have visited our website.

Marketing cookies

These cookies can be added by our partners. They can use them to create a profile of you, based on your interests, to show you more relevant information. They do not store any personal information - only information about your browser and device. If you do not accept these cookies, you will have a more general and less customized user experience.

Please login or continue as a guest

To get the best deals
Login | Create account

You have 0 articles in cart